欢迎来到深圳市力为电气有限公司
目前国内AISG航插主要参考对象有宾得(BINDER)和安费诺(AMPHENOL)。
宾得为581系列(IP40防护等级的M16)
图1
423系列(IP67防护等级的M16)
图2
前些年,也有少量的680系列,不过现在已经没有了,这里我就不贴图了。
宾得公司的M16执行的是IEC-61076-2-106标准(等用于DIN61076-2),里面的尺寸,芯谱都有明确的规范,特别是对插座的外形,诸如板前板后的外观尺寸做了确定义。
安费诺为C091系列A型(IP40)
图3
C091系列D型(IP67)
图4
安费诺的C091同时执行两个标准,分别是IEC61076-2和IEC60130-9,其中2芯、3芯、5B芯、6A芯、7B芯谱使用的是IEC60130-9标准,其他使用61076-2标准。
两个标准的相同点与差异
一、共同点:
两个标准在螺纹接口上都是一样的,都为M16X0.75螺纹, 防护等级为IP40/IP65/IP67,插拔测试都为IEC 60068-1标准,基本测试标准和流程都为IEC60512 。
根据60512标准,要求2-8芯的产品,接触体(配合0.5平方线缆)额定电流为5A;12~19芯产品接触体(配合0.25平方线缆)额定电流为1A ,要求接触体电阻<5mΩ;绝缘电阻要求≥10的8次方Ω(10MΩ)。
镀金接触体要求插拔次数为500次,镀银接触体插拔次数为100次,镀锡接触体为20次,(数值为测试下限),
接触体分离力:2芯为2~12N;3芯为3~18N;5芯为5~30N;6芯为6~36N;7芯为7~42N;8芯为8~48N; 分离力上限为最大60N
接触体镀层标准参考自ISO1302标准,基本为0.16~0.25μm之间,没有明确材料与厚度的关系,或者有定义需要自查ISO1302。
二、不同点:
IEC60130-9除了M16类的产品,还包含了音频类产品,标准内容比较简单,主要是插座部分的内容,这个我个人也有些不理解,我个人感觉更像是针对设备商的一个标准规范,不知道其他音像产品标准会不会指向到这个标准。
IEC61076-2 相对来说就更为专用一些,只是针对M16这一款产品制定了标准,结合产品外观、安装方式、公母类型、防护等级将M16插座分成6个类别,M16插头分为14个类别,不过IP65和IP67做为同一个等级区间。另外还加入了防尘盖的规范(防尘盖材料好像没有说明)。其中14芯的芯谱是完全不一样的,这个需要特别注意
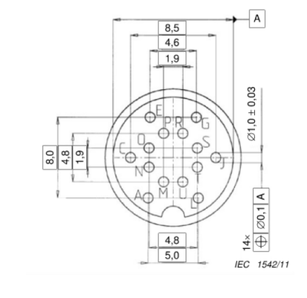
图5:IEC61076-2的14芯
图6:IEC60130-9的14芯
不过AISG目前还未使用14芯产品,这个只是作为一个比较,如果以后出现还是需要注意相互的不同。
IECIEC61076-2增加的标准内容:
1、名词定义引用IEC 60050-581,
2、冷压式接触体的测试标准引用IEC60352-2标准;
3、外壳防护等级引用IEC 60529:1989标准;
4、低压绝缘体测试标准引用IEC 60664-1 :2007标准;
5、电气设备使用需要引用IEC 61076通用规范;
6、安全性规范与测试引用IEC 61984:2008标准。
小结:M16做为一款通用产品,不仅应用于AISG也应用于传感器、电机、电力,国内AISG市场情况现在可以用惨烈来形容,发这个标准说明,希望也是让大家对M16进行一个重新的认识。里面涉及的相关标准文件,有需要的可以向我索要,电话与微信同号13732148762。最后发一张非标M16产品,如果谁知道这个产品的应用领域也可以告诉下。

AISG项目航插类应用知识之RET系统
2022-08-01 16:15:50
AISG也不是一个新鲜的话题,只是最近遇到的比较多,咨询的相关问题的朋友也比较多,所以想着把这个项目所涉及到航插应用方面内容的系统性的来讲一下。
Copyright © 2022 深圳市力为电气有限公司 All rights reserved